矿用防暴软启动
产品型号:
a008
所属分类:
功率半导体组件
产品特点
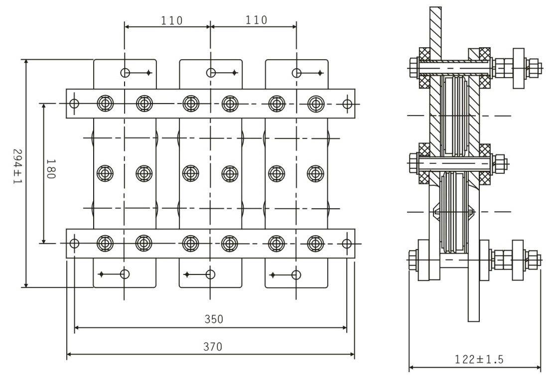
用于煤矿、矿山等场合的三相异步电动机的软起动;由6只晶闸管组成三个交流开关组合在一起;结构紧凑,安装方便;可用于自然冷却;具体的安装尺寸,可根据用户要求重新设计。
立即联系
产品详情
特点:
■ 用于煤矿、矿山等场合的三相异步电动机的软起动
■ 由6只晶闸管组成三个交流开关组合在一起
■ 结构紧凑,安装方便
■ 可用于自然冷却
■ 具体的安装尺寸,可根据用户要求重新设计
主要技术参数:
■ 该组件的通流能力、断态耐压,决定于所选用的晶闸管。
■ 例如:下图所示每相由两个KP1000A—4200V晶闸管组成的三相软起动组件
1、最大导通电流(有效值) IT(RMS)=2222A
2、断态重复峰值电压 VDRM≥4200V
3、断态重复峰值电流 IDRM≤70mA
4、通态峰值电压 VTM≤2.6V(1TM=2400A时)
5、门极触发电流 1GT=40-150mA(两只晶闸管1GT之差≤20mA)
6、门极触发电压 VGT=1.0-2.6V
矿用防暴软起动组件图

关键词:
平板式器件,功率半导体模块
锦州市锦利电器有限公司
精诚合作、互惠共赢!